Schematic Review A esp32 based microcontroller for measuring and Circuit Diagram The high integration of ESP32-S3 allows for simple peripheral circuit design. This chapter details the schematic design of ESP32-S3. The following figure shows a reference schematic design of ESP32-S3. It can be used as the basis of your schematic design. ESP Hardware Design Guidelines . This document provides guidelines for the ESP32 SoC.To switch to another chip, use the drop-down menu at the top left of the page. ESP32 is a tiny cheap 8$ module with a dual core 32-bit CPU and built in Wi-Fi and dual-mode Bluetooth with sufficient amount of 30 I/O pins for all basic electronics projects.All these features are very easy to use, since it can be programmed directly from the Arduino IDE. Explore below the list of ESP32 projects to start with ESP32 based IoT projects.

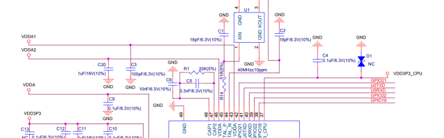
Figure ESP32 RF Tuning Diagram shows the general process of RF tuning. Figure ESP32 Schematic for External Capacitor shows the schematic of components connected to pin47 CAP2 and pin48 CAP1. C5 (10 nF) that connects to CAP1 should be of 10% tolerance and is required for proper operation of ESP32. You signed in with another tab or window. Reload to refresh your session. You signed out in another tab or window. Reload to refresh your session. You switched accounts on another tab or window.

Latest ESP32 Projects 2025 on IoT based Home Automation Circuit Diagram
In conclusion, reading and interpreting the Esp32 schematic diagram is a crucial skill for understanding the design and functionality of the board. By identifying key components, understanding connections, recognizing symbols, and referring to the datasheet, you can gain a comprehensive understanding of the Esp32 schematic diagram. 1.5 Block Diagram 5 2 Pin Definitions 6 2.1 Pin Layout 6 2.2 Pin Description 6 2.3 Power Scheme 8 2.4 Strapping Pins 9 3 Functional Description 10 3.1 CPU and Memory 10 As such, the entire solution occupies minimal Printed Circuit Board (PCB) area. ESP32 uses CMOS for single-chip fully-integrated radio and baseband, and also integrates

esp32_devkitc_v4 c wednesday, december 06, 2017 1 1 d2 esp-wroom-32 gnd1 1 3v3 2 en 3 sensor_vp 4 sensor_vn 5 io34 6 io35 7 io32 8 io33 9 io25 10 io26 11 io27 12 io14 13 io12 14 gnd3 38 io23 37 io22 36 txd0 35 rxd0 34 io21 33 nc 32 io19 31 io18 30 io5 29 io17 28 io16 27 io4 26 io0 25 gnd2 15 io13 16 sd2 17 sd3 18 cmd 19 clk 20 sd0 21 sd1 22 Learn about the ESP32 microcontroller, its features, and how to use it with various development boards. Find the pinout, specifications, datasheet, and schematic of ESP32 WROOM-32 chip and ESP32 boards.
