LTspice ltspice Circuit Diagram LTspice tutorial showing basic setup and usage

LTspice ® Tutorial for Beginners Back to Media Center Additionally, find an introduction of the Ltspice schematic capture program in the layout of a simple circuit so that Home. Resource Library. Media Center. LTspice ® Tutorial for Beginners Back to Media Center

LTspice Tutorial for Beginners (Video) Circuit Diagram
Learn the basics of using LTspice IV, a free integrated circuit simulator, with this tutorial. See how to download, install, create schematics, run simulations, and import third party models. LTspice ® Tutorial for Beginners. LTspice®: Overview This video series provides an overview of the advantages of using LTspice in an analog design, how easy it is to get started, and where you can download this powerful tool free of charge. SERIES. 1 / 3 videos Details. LTspice®: Overview Pages 5—9 Tutorial #1 - Draw & Analyze a Transistor Amplifier Pages 10—11 Tutorial #2 - Draw & Analyze a Low Pass Filter This goes beyond "beginner's guide" scope, but most users will get to the point where they need LTSpice provides a symbol for an SCR, but no models. Below is a step-by-step method for how

#9 This is the first video of a longer series I'm working on so if you like it be sure to check out the rest of the series!In this video I show how to get th Learn LTSpice from scratch with this beginner-friendly tutorial for 2025! Discover how to simulate circuits, analyze waveforms, and master LTSpice for electr to model a part not available in LTspice, or to model a special function in your circuit you have not designed yet. 6.101 Spring 2020 Lecture 438. Questions?? 6.101 Spring 2020 Lecture 439. L Tspice HotKeys Schematic Symbol W aveform Netlist M o d e s ESC - Exit Mode ESC - Exit Mode F3 - Dr a w Wire F5 - Delete

PDF Beginner's Guide to LTSpice Circuit Diagram
Learn the basics of using LTspice - creating a new schematic, running transient and AC simulations, and viewing results on the waveform viewer. SERIES. 1 / 4 videos Details. LTspice Basics - Downloading and Installing. Topics include: Where to download LTspice; How to keep LTspice up to date

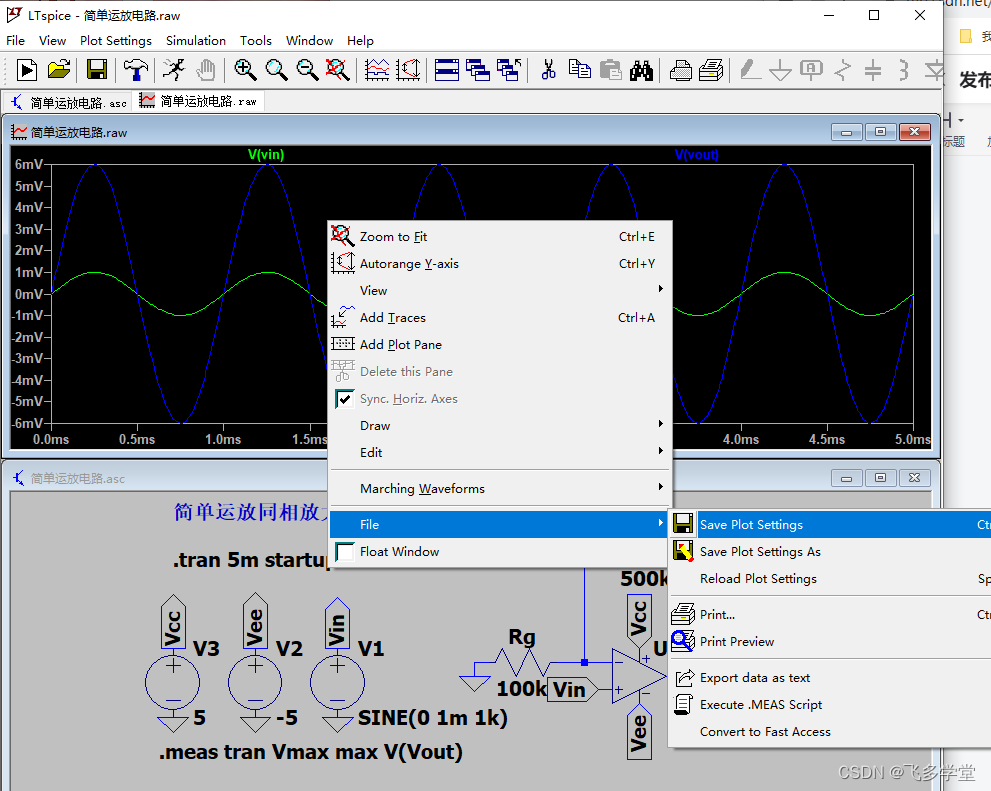
"How to Use LTSpice?" "How to Start Simulation in LTSpice?" So many questions in mind, we will answer all these. In this article I will teach LTspice circuit simulation tutorials for beginners. Advanced topics will be discussed in another article. LTSpice is a freeware electronics circuit simulator developed by Linear Technology. This
